|
| The Mixer/Preamp and the mics. Balance, Volume, Clipping detection, and Mute are all controlled from the mic position |
Minor mods were:-
-
Change the jack connector which doubles as the power switch from a mic socket to the output socket
-
The led which glowed red for overload, has been changed to a dual led which still glows red for an overload but also glows green to indicate that the “mute” is engaged.
|
| The Mixer with the new Instrument Volume controls[ |
The major mod was the incorporation of volume knobs for the instrument inputs
The original idea was to have all of the relative volume controls preset, with only a master volume control. This is because we perform usually without a sound man and getting the instruments and out voices at the right relative levels is difficult from the mic position.
It worked very well, as long as our mouths were around 4’ from the mics. BUT
sometimes that does not give us enough volume, and if we increase the volume
then feedback howl sets in.
Moving closer to mic drastically increases the volume of our voices, but then
we are too loud for the instruments.
So a mod was needed to allow us to control the relative values.
This was done by making the instrument volumes controllable by potentiometers.
Measurements
The master volume pot sweeps the gain from 3.4 to 180 (or 11 to 45dB) through
the mic channel with the pot being fairly linear in dB.
The amp can deliver 5.3V p-p before clipping
The 3dB points are 19Hz and 170KHz
In the interests of simplicity, and by calculation verified by measurement, I arrived at the following settings for the pots. The pots have no scales, but it is easy to think of the dot on the pot as the little hand on an analogue clock. So:-
5pm is used for highest volume with our lips actually touching the mics
4pm is right for our lips around 0.5” from the mics
3pm is right for around 1”
2pm is right for around 2”
1pm is right for around 2.5”
12pm is right for around 3.5”
9pm is right for around 7"
Beyond this point we are better of using balanced miking.
The mixer is fixed to the mic stand so all we need to do is the usual:-
Adjust the instrument volume knobs to around 12pm.
Crank up the master volume until we get feedback howl just starting then back
it off a little.
Start singing around 3.5” from the mic.
If it is too loud turn the master volume
If it is too quiet move closer to the mic and turn up the instrument volume.
Design
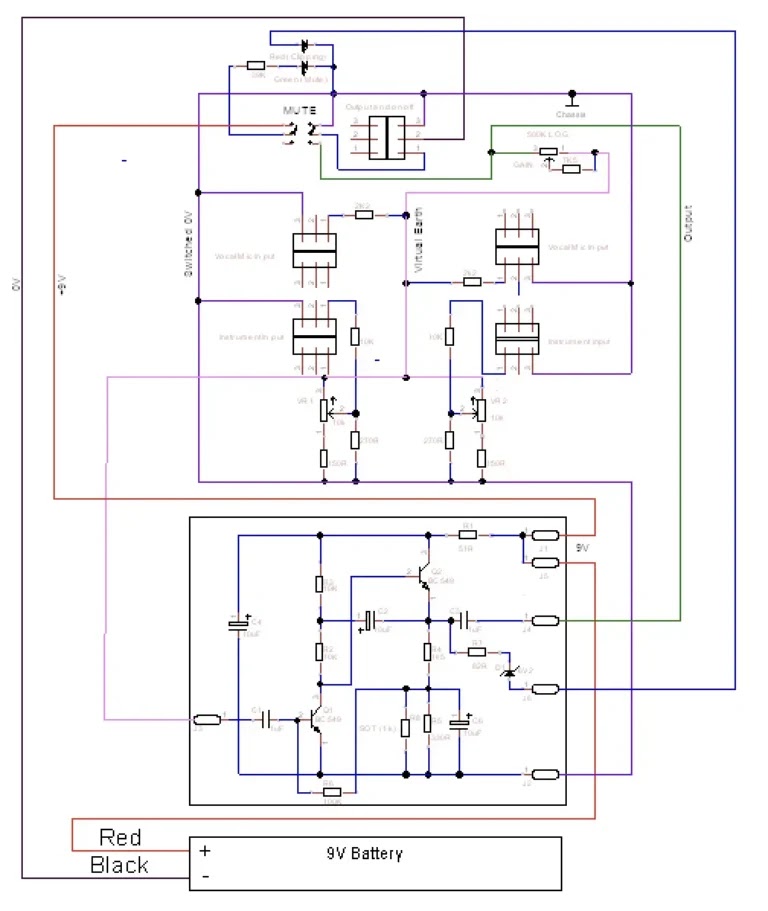
|
| New Preamp Schematic. Click for larger image |
The volume control for the instruments is a little unconventional. This was decided upon based on my guitar (see below) and is designed to give a fairly constant 10K input impedance. Yes, there are better ways, but I do not have much room and I wanted to keep the current consumption low.
C6 increases the open loop gain
R8 is a "Set on Test" resistor that is used to ensure that clipping occurs on
the positive swing before the negative swing. This is for the clipping
indication. The led comes on as the output voltage, before the
decoupling get above 8 volts.
A spin off is that if I cannot get the led to glow red with volume control set
to max by laking a loud noise into the mic (it works with the mute on or off)
then that means the battery is on the way out.
The input devices
The Mics
The Guitar
The Guitar is a high quality folk acoustic guitar (a Freshman FA350FBF) fitted with K&K pure mini piezo pickup.
K&K say:-
“the Pure Pickup is the best choice for achieving a rich, natural guitar sound -- even without a preamp!”
There are lots of mentions on line that it works well without a preamp. This implies they are plugging into a line input, which usually has around 10K input impedance. But strangely, most of the advice on the web says that piezo pickups should be fed into a high impedance, greater than 1M.
I experimented with the pickup, firstly to get an idea of its capacitance. I did this simply by measuring the open circuit output then measuring it again terminated it with a known capacitor. Using the ratios, I estimated that the pickup capacitance was 3-4nF. I assumed 3.5nF Now combined with a 10K resistor that gives a 4.5KHz turn over frequency. With a 1M resistor it’s 45Hz.
Some articles on line show the sensor as a voltage source in series with the capacitance. This would give a high pass filter. With a 4.5KHz high pass filter, very little of the bass frequencies of the guitar would come out, and it would be very tinny unless extensive EQ is applied.
Other articles show it like a current source in parallel with the capacitance. The combination with the input resistance makes it a low pass filter. With a 10K input resistance, response is flat over most of the guitar frequencies, reducing above 4.5KHz. With a 1M resistor output would be reducing with frequency over the entire audio range making the guitar sound very bassy, unless extensive EQ is applied.
But simply using a 10K resistor results in the guitar overpowering the mic – Hence the volume control.
The Mandolin
My wife’s Mandolin is a Kentucky KM-140S fitted with an electret mic on a home made interface board tucked under the finger guard.
It feeds into a ¼” jack socket mounted in an f hole.





No comments:
Post a Comment